Ein Ladebooster verstärkt die von der Lichtmaschine kommende Spannung (Volt) auf einen Wert, der geeignet ist die Board oder Aufbaubau Batterie zuverlässig zu laden. Diese Spannung muss passend zur Batterie am Ladebooster eingestellt werden. Bei höherer Spannung erhöht sich zwangsläufig auch der Ladestrom (Ampere). Um genügend Strom von der Lichtmaschine zu erhalten, simuliert der Booster einen großen Stromverbraucher und verhindert so, das die Lichtmaschine die Leistung herunterregelt. Die ist besonders für Euro 6 (und höher) notwendig, da diese die Lichtmaschine abschalten, wenn die Fahrzeugelektronik glaubt, das die Starterbatterie voll ist. Von der Board Batterie, weis die Steuerung der Lichtmaschine nichts.
Votronic Booster vom Typ VCC 1212, ohne galvanische Trennung, gibt es in 4 Ausführungen. VCC 1212-30, 30 Ampere Stromstärke, Kunststoffgehäuse;
VCC 1212-50, 50 Ampere Stromstärke, Metallgehäuse; VCC 1212-70, 70 Ampere Stromstärke, Metallgehäuse; VCC 1212-90, 90 Ampere Stromstärke, Metallgehäuse.
Bei einer Nachrüstung überprüft den Querschnitt der vorhandenen Leitungen, wenn diese zu dünn sind, begrenzt unbedingt den Ladestrom um die Leitung nicht zu überlasten.
Wenn beispielsweise eine 16mm² Leitung verbaut ist und laut Bedienungsanleitung eine 25mm² Leitung gebraucht wird, muss die vorhandene Leitung nicht entfernt werden, man kann diese weiterverwenden indem man eine 10mm² parallel schaltet / verlegt.
In diesem Fall, daran denken auch eine stärkere Sicherung einzusetzen.
Ich habe die Version mit 70 Amp. Maximale Stromstärke gekauft. Bei allen Geräten mit Metallgehäuse lässt sich die maximal Stromstärke begrenzen. Siehe Bedienungsanleitung
Bei der Fahrzeugnachrüstung mit einen Booter gibt es eine sehr wichtige Sache zu beachten. Dies machen auch viel sogenannte Fachwerkstätten falsch, weil diese das Konzept nicht verstanden haben.
Normalerweise werden die Pluspole der Starterbatterie und der Aufbau Versorgungsbatterie mit einem Trenn Relais verbunden, sobald die Lichtmaschine läuft. Meist wird das D+ Signal von der Lichtmaschine verwendet um diese Relais anzusteuern.
Wenn nun ein Booster eingebaut wird, MUSS!!! dieses Trenn Relais entfernt, abgeklemmt oder deaktiviert werden. Diese Trennrelais kann auch im Stromversorgungsmodul oder einen EBL Block eingebaut sein.
Dies hat einen einfachen Grund, der Eingang des Boosters (Pluspol) wird an die Starterbatterie angeschlossen und dessen Ausgang (Pluspol) wird an die Aufbaubatterie angeschlossen. Wenn dann die Lichtmaschine läuft kommt das D+ Signal und startet den Booster. Währe jetzt noch irgendwo ein aktives Trennrelais, vohanden ist, würde dies auch schalten und den Eingang und den Ausgang des Booster kurzschließen. Bei Ahorn / Rimor siehe hier Seite 11.
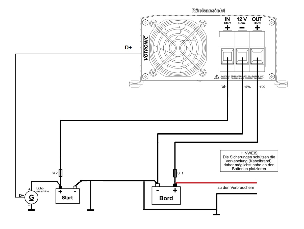
Natürlich müssen / sollten für den Ladebooster noch mehr Leitungen angeschlossen werden (siehe Installationsanleitung) , hier in der Skizze geht es nur um das Prinzip.
Ein Booster hebt auch die Ladespannung für die Board Batterie an und gleicht so Verluste aus, die auf längeren Leitungen auftreten. Auch gleicht dieser die Lade Kennlinie an die verwendete Batterie Technik an. Die Lichtmaschine ist meistens für Blei Batterien ausgelegt und deren Kennlinie ist für Lithium Aufbau Batterien nicht ideal.
Achtet darauf, das die Minuspole der beiden Batterien zusätzlich mit einen ausreichend dicken Kupferkabel verbunden sind. Das Eisen Blech der Fahrzeugkarosserie hat einen zu großen Widerstand für die hohen Ströme die hier fließen können.
Es gibt auch alternativ die Möglichkeit den Booster vor oder hinter dem Trennrelais einzuschleifen, jedoch ist dies nur bei Boostern von bis zu 30Amp. zu empfehlen. Der Strom eines
stärkeren Booster würde das Trennrelais überlasten.
Es gibt aber auch hier einen Nachteil, bei Stromverteilern, wie das ePvL, welches Ahorn, Rimor und XGO beispielsweise verwenden, wird auf dem Display die Batteriespannung nicht mehr angezeigt. Vor dem Trennrelais fehlt die Starterbatterie und bei Montage nach dem Trennrelais, fehlt die Anzeige der Aufbaubatterie.
Ein Ladebooster verstärkt die Spannung zum Laden der Aufbau Batterie. Vor allem bei Lithium Batterien sehr zu empfehlen. Ab Euro 5, insbesondere bei Euro 6 (oder kommende Euro 7)Fahrzeugen eine Notwendigkeit, weil diese die Lichtmaschine abschalten, wenn die Starter Batterie voll ist und nicht erkennen können, das die Board Batterie noch nicht voll ist.
Der Booster simuliert der Fahrzeugelektronik einen großen Verbraucher und die Lichtmaschine bleibt aktiv solange der Booster läuft.
Bei Lithium Batterien ist ein Booster eigentlich ein Muss, da das Trenn Relais beide Batterie zusammenschaltet, nur die Lithium Batterie hat 14,6 Volt und die Starterbatterie nur 13,8. Das einfache Zusammenschalten funktioniert, ist aber für die beiden Batterien nicht gut. Die Starter Batterie wird ständig überladen und die Lithium Batterie wird nicht voll. Ist dann z.B. noch ein Ladegerät oder Solarregler verbaut, welcher die Lithium Batterie auf 14,6 Volt bringt, wird dies längerfristig die Starter Batterie zerstören.
Und auch darauf achten, dass auch der Minuspol beider Batterien durch ein Kupferkabel mit ausreichendem Querschnitt verbunden ist. Das Karosserieblech hat dafür einen zu hohen Widerstand.
Und das D+ Signal an den Booster anschließen, nicht die Spannungssteuerung verwenden. Denn wenn dann der Kühlschrank während der Fahrt auf 12 Volt anspringt, bricht die Spannung zusammen und der Booster schaltet ab, weil der glaubt der Motor wurde abgeschaltet.
Wie immer, alle Angaben ohne Gewähr, Nachbau auf eigene Verantwortung.
Votronic Lade Booster VCC 1212-70 Thema ist als GELÖST markiert
Re: Votronic Lade Booster Booster VCC 1212-70
Hi, ich habe diesen Beitrag bei Facebook verlinkt, dort k***** sich jetzt Leute aus, die deine Schaltskizzen nicht verstanden haben.
Und gar nicht wissen um welches Problem es eigentlich gegangen ist.
Und gar nicht wissen um welches Problem es eigentlich gegangen ist.
Re: Votronic Lade Booster Booster VCC 1212-70
Völlig egal, du kennet unsere Prämisse hier?
Andere Meinungen muss man nicht teilen, aber akzeptieren.
Jedes Menschen Glaube ist sein Himmelreich.
Andere Meinungen muss man nicht teilen, aber akzeptieren.
Jedes Menschen Glaube ist sein Himmelreich.
Re: Votronic Lade Booster VCC 1212-70
Wäre es denn so richtig?
Danke
-
Phantompilot
- Ist öfters hier

- Beiträge: 45
- Registriert: 11.11.2020, 20:56
Re: Votronic Lade Booster VCC 1212-70
Deine Starter Batterie darf nicht am EPL angeschlossen sein, wenn du eine Booster eingebaut hast! Ist doch oben leicht verständlich erklärt.
Wenn du das so gemacht hast, ist alles ok.
Das Teil sieht nach nem Billig Wohnmobil wie Ahorn aus. Nicht das das Wohnmobil billig ist, Ahorn verbaut nur den billigsten Kram.
Wenn du das so gemacht hast, ist alles ok.
Das Teil sieht nach nem Billig Wohnmobil wie Ahorn aus. Nicht das das Wohnmobil billig ist, Ahorn verbaut nur den billigsten Kram.
Re: Votronic Lade Booster VCC 1212-70
Wo ist denn meine Starterbatterie in der Zeichnung an EBL angeschlossen?


