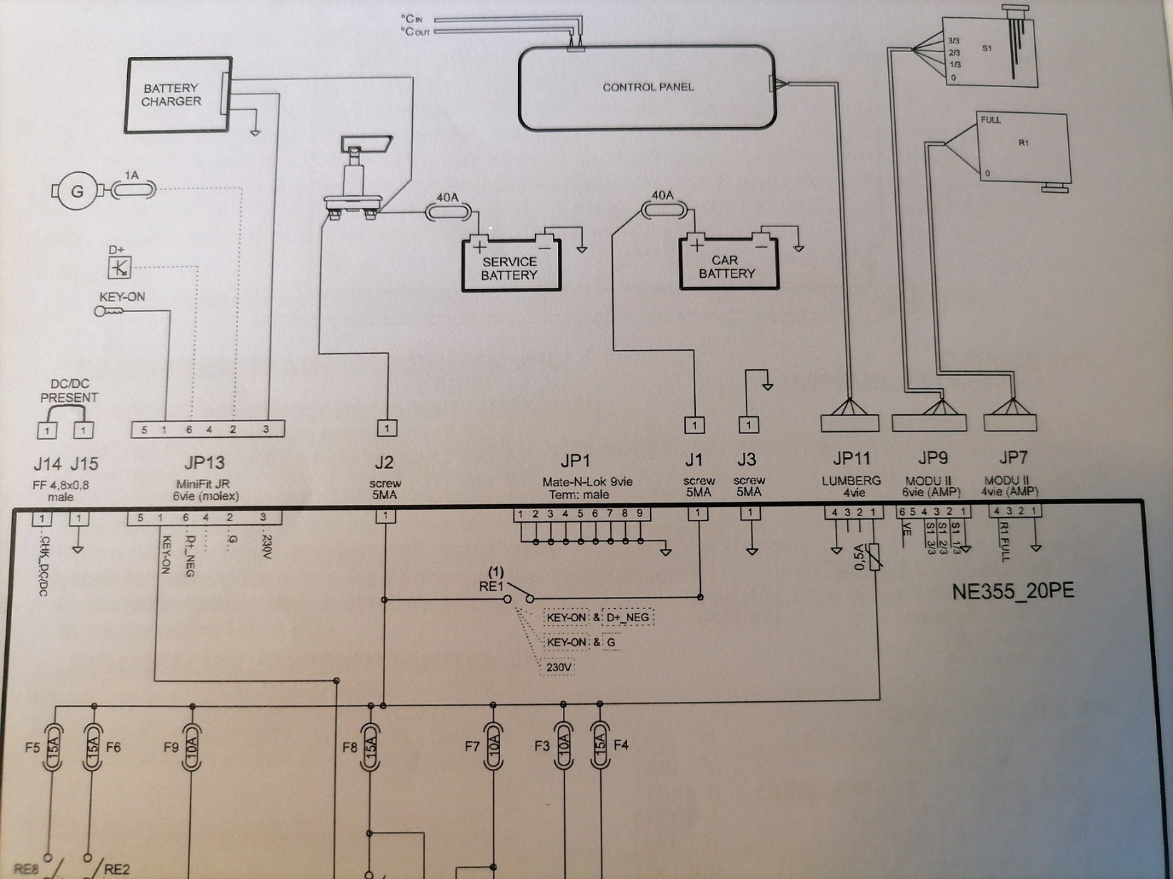
Wenn der dazugehörige Stab im Wasser ist, leuchtet auf dem Panel die LED. Was für den Abwassertank aber auch bedeutet, selbst wenn die Voll LED, nicht leuchtet, kann dieser Tank fast voll sein. Da der Abwassertank größer als der Frischwassertank ist, sollte man diesen leeren, wenn man den Frischwassertank füllt, somit kann dieser eigentlich nicht überlaufen.
Beschreibung Beim Power Link ePvL ist es ähnlich Abwasser an J2 (2polig), Frischwasser an J3 (4polig).

